○三原市久井工業団地用水供給施設設置及び管理条例施行規則
平成17年3月22日
規則第189号
目次
第1章 総則(第1条―第4条)
第2章 給水の承認等(第5条―第8条)
第3章 給水施設(第9条―第15条)
第4章 給水(第16条―第21条)
第5章 雑則(第22条・第23条)
附則
第1章 総則
(趣旨)
第1条 この規則は、三原市久井工業団地用水供給施設設置及び管理条例(平成17年三原市条例第239号)第22条の規定に基づき、団地用水の供給条件に関し必要な事項を定めるものとする。
(1) 使用者 市長の承認を受けて、用水供給施設から用水の供給を受ける者
(2) 基本使用水量 管理者が定めた使用者の1日当たりの使用水量
(3) 特定使用水量 管理者が定めた基本使用水量を超える使用者の1日当たりの使用水量
(4) 時間使用水量 基本使用水量(特定使用水量が定められている場合は、基本使用水量に当該特定使用水量を加えた水量)の24分の1の水量
(5) 給水施設 用水の供給を受けるため、使用者が、市の設置した配水施設から分岐して設ける給水管、受水槽及びこれらに附随する給水用具
(用途の制限)
第3条 使用者は、市長の承認を受けた場合のほか、供給を受けた用水を業務及び消防以外の目的に使用し、又は第三者に分与し、若しくは販売してはならない。
(権利又は義務の譲渡の禁止)
第4条 使用者は、市長の承認を受けた場合のほか、この規則に基づく権利又は義務を第三者に譲渡してはならない。
第2章 給水の承認等
(基本使用水量の変更の承認)
第6条 基本使用水量を変更しようとする使用者は、市長の承認を受けなければならない。
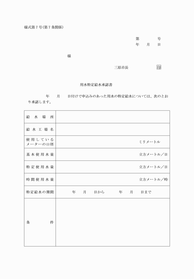
(特定給水の承認)
第7条 使用者は、市長の承認を受けて、一定期間に限り、基本使用水量を超えて用水の供給を受けることができる。
(利用の廃止)
第8条 使用者は、用水の利用を廃止しようとするときは、廃止予定日の1箇月前までに、用水利用廃止届(様式第8号)を市長に提出しなければならない。
3 前2項の規定により用水の利用を廃止した者は、市長の指示に従い、速やかに給水施設の撤去等必要な処置を行わなければならない。
第3章 給水施設
(給水施設の設置)
第9条 使用者は、用水の供給を受けるために必要な給水施設を、市が設ける配水施設中の量水器に連結させるように設置しなければならない。
(給水施設の基準)
第10条 給水施設の位置、配列、構造、材質及び性能は、次に掲げる基準に適合しているものでなければならない。
(1) 施設の位置及び配列は、必要量の用水を安全に受水することができるように定められているものであること。
(2) 施設の構造及び材質は、水圧、土圧、地震力その他の荷重に対して十分な耐力を有し、かつ、漏水し、又は汚水、土砂等の混入のおそれがないものであること。
(3) 施設は、凍結、電食、衝撃、温度変化等により破損し、又は性能が低下するおそれがないよう適切な防護措置がとられているものであること。
(4) 受水槽は、常時定量の用水を受水しつつ、必要量の用水を使用しても、貯水能力に余裕のある大きさのものであること。
(5) ポンプを設ける場合には、配水管の水圧又は流量に著しい影響を及ぼすおそれのないものであること。
(工事の承認)
第11条 使用者は、給水施設について新設、増設、改造、維持又は撤去等の工事を施行しようとするときは、あらかじめ市長の承認を受けなければならない。
(給水施設の維持管理)
第13条 使用者は、善良な管理者の注意をもって給水施設を管理し、給水施設に異状があると認めるときは、直ちに市長にその旨を通報するとともに、修繕その他必要な措置を講じなければならない。
(給水施設の検査等)
第14条 市長は、給水の適正を図るため必要があると認めるときは、職員に給水施設を検査させることがある。
(費用の負担)
第15条 新たに用水の給水申込みをした者、基本使用水量の変更の申込みをした者及び特定給水の申込みをした者は、当該給水等の申込みにより、特に既設の配水施設を増設し、又は改良する必要があるときは、その必要を生じた限度において、当該配水施設の増設又は改良に要する次に掲げる費用の全部又は一部を負担しなければならない。
(1) 材料費
(2) 運搬費
(3) 労務費
(4) 請負工事費
(5) 委託工事費
(6) その他の経費
2 前項の費用は、市長が定める概算額をもって、納期限までに納付しなければならない。
3 前項の規定による費用の概算額を給水等の申込みをした者が納期限までに納付しないときは、当該給水等の申込みはなかったものとみなす。
第4章 給水
(給水の原則)
第16条 市長は、非常災害、異常渇水又は配水施設の損傷若しくは維持改良工事の施行その他やむをえない理由による場合のほか、給水を停止し、又は制限しないものとする。
2 市長は、緊急の事由がある場合のほか、給水を停止し、又は制限しようとするときは、あらかじめ、用水給水停止(制限)通知書(様式第12号)によって、使用者に通知する。
3 第1項に掲げる理由により給水を停止し、又は制限した場合において、これにより使用者に損害を生ずることがあっても、市は、その責任を負わない。
(適正使用の原則)
第17条 使用者は、常時定量の用水を受水するよう努めなければならない。
2 市長は、給水の適正を図るため必要があると認めるときは、使用者に対して、受水方法の改善その他の必要な処置を指示することができる。
(長期受水の原則)
第18条 基本使用水量が1日当たり50立方メートルを超える使用者は、市長との取り決めによる期間、一定水量を受水し続けなければならない。
2 市長は、期間等の条件を定め、用水給水承認書を当該申込者に交付する。
(実使用水量の決定)
第19条 使用者の実使用水量は、第9条の量水器の示す計量値により市長が決定する。ただし、量水器の故障等によりその計量値により難いときは、市長の認定するところにより実使用水量を決定する。
(量水器の検査請求)
第21条 使用者は、量水器に異状があると認めるときは、市長に対し、量水器の検査を請求することができる。
第5章 雑則
(給水の停止処分)
第22条 市長は、使用者が次の各号のいずれかに該当したときは、給水を停止することがある。
(3) 使用料の納期限後1箇月を経過しても納付しないとき。
(4) 使用料の徴収を免れようとして、詐欺その他不正の行為をしたとき。
(5) 前各号に掲げるもののほか、この規則に違反したとき。
(その他)
第23条 この規則の施行に関し必要な事項は、市長が別に定める。
附則
(施行期日)
1 この規則は、平成17年3月22日から施行する。
(経過措置)
2 この規則の施行の日の前日までに、合併前の久井工業団地上水供給施設施行規則(平成7年久井町規則第14号)の規定によりなされた処分、手続その他の行為は、この規則の相当規定によりなされたものとみなす。
附則(平成28年9月30日規則第33号)
この規則は、公布の日から施行する。
附則(平成31年4月1日規則第11号)
(施行期日)
1 この規則は、公布の日から施行する。
(経過措置)
2 この規則の施行の際現に改正前の三原市久井工業団地用水供給施設設置及び管理条例施行規則第5条第2項、第6条第3項、第7条第3項、第11条第3項及び第18条第2項の規定により交付されている承認書は、改正後の三原市久井工業団地用水供給施設設置及び管理条例施行規則第5条第2項、第6条第3項、第7条第3項、第11条第3項及び第18条第2項の規定により交付された承認書とみなす。













